辜渝傧

13037102709

027-87870986

教学实训

您当前的位置:首页 > 教学资源 > 实训方案 >

物联网智能家居实训||实验五 125K读卡实验

发布者:唯众    布时间:2020-09-23 11:35:20    点击量:

实验环境
软件环境:JDK1.6、SDK、ADT、Eclipse
硬件环境:DC5V2个、DC12V1个、125K读卡电路板1块、ZIGBEE节点1个ZIGBEE协调器1个、A9网关1块、继电器模块1个、电磁锁1个
实验内容
1、 发卡:A9网关通过ZIGBEE与125K模块通讯,设置有效卡、无效卡
2、 读卡: 125K模块识别标签卡,并通过ZIGBEE将信息上传至A9网关
3、 开锁:读卡模块检测到有卡,则将卡号发送给A9,A9进行判断是否注册,注册则通过WiFi通知电磁锁开启。
实验五 125K读卡实验实验内容
实验原理
        唯众继电器输入输出模块,使用STM32单片机的PA0和PA1两个引脚作为输入和输出。分别将连个引脚设置成输入模式和输出模式,输出脚连接的是继电器,继电器连接LED灯泡。当PA1输出高电平是即可通过继电器控制电磁锁锁上,输出低电平则开启。输入端主要是检测外接设备输出的高低电平,从而判断外接设备的状态。电路原理图同上例3.12
       唯众125K读卡模块,使用ZIGBEE的UART0与读卡模块进行通讯,使用指定的命令进行寻卡。初始化完毕之后,当读卡模块检测到有卡靠近时,将卡4字节卡ID通过ZIGBEE上传给A9,A9判断此ID是否已经注册过,如果注册则通过WIFI通知继电器将电磁锁打开,否则在APP界面提示该卡未注册!
 
硬件接口原理
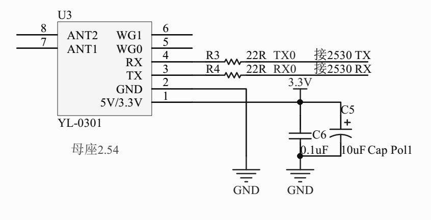
如图3.14所示,U3为125KHZ RFID通讯模块,通过串口RX,TX与ZIGBEE通讯模块的单片机CC2530进行通讯,当125KHZ 的标签靠近125KHZ RFID模块时,RFID 模块检测到标签存在后,将获取到标签 ID 并显示在OLED屏中,同时通过ZIGBEE模块与CORTEX A9智能网关进行通讯,进行读卡,发卡操作。
实验五 125K读卡实验硬件接口原理
图3.14
 
软件设计
1.125K读卡程序流程设计
125K读卡程序流程设计
2.125K读卡程序软件
1. void GenericApp_Init( uint8 task_id )
2. {
3. GenericApp_TaskID = task_id;
4. GenericApp_NwkState = DEV_INIT;
5. GenericApp_TransID = 0;
6.
7. GenericApp_DstAddr.addrMode = (afAddrMode_t)Addr16Bit;//单播
8. GenericApp_DstAddr.endPoint = GENERICAPP_ENDPOINT;
9. GenericApp_DstAddr.addr.shortAddr = 0x0000;//向协调器单播
10. GenericApp_epDesc.endPoint = GENERICAPP_ENDPOINT;
11. GenericApp_epDesc.task_id = &GenericApp_TaskID;
12. GenericApp_epDesc.simpleDesc
13. = (SimpleDescriptionFormat_t *)&GenericApp_SimpleDesc;
14. GenericApp_epDesc.latencyReq = noLatencyReqs;
15. afRegister( &GenericApp_epDesc );
16.
17.
18.
19. halUARTCfg_t uartConfig; //定义个串口结构体
20. uartConfig.configured = TRUE; //串口配置为真
21. uartConfig.baudRate = HAL_UART_BR_9600; //波特率为9600
22. uartConfig.flowControl = FALSE; //流控制为假
23. uartConfig.callBackFunc = rxCB; //当模块收数据时,会调用这个函数进行处理
24. HalUARTOpen(HAL_UART_PORT_0,&uartConfig);// 打开串口0
25.
26. init_buzzer();
27. init_key();
28. init_led();
29.
30. oled_initial();
31. oled_disp_string(1,1,"武汉唯众智创科技");
32. oled_disp_string(3,1,"有限公司");
33. Delay_ms(1000); 
34. }
35.
36. void CleanBuffer(u16 num,u8 ch)//清零 前 多少个字节的数据
37. {
38.     u16 i=0;    
39.     for(i=0;i
40. RxBuffer1[i]=ch;
41. }
42.
43. void rxCB(uint8 port,uint8 event)
44. {
45. u8 result[5];
46. u8 len = 0;
47. len = HalUARTRead(0,result,5);
48. if(len == 5){
49. if((result[0]^result[1]^result[2]^result[3]^result[4])==0){
50. BUZZER = 1;
51. LED1 = 1;
52. RfTx.Pack.Len = 4;
53. RfTx.Pack.Data[0]=result[0];
54. RfTx.Pack.Data[1]=result[1];
55. RfTx.Pack.Data[2]=result[2];
56. RfTx.Pack.Data[3]=result[3];
57.
58. sprintf((char*)Str2,"ID:%2x %2x %2x %2x",RfTx.Pack.Data[0],RfTx.Pack.Data[1],RfTx.Pack.Data[2],RfTx.Pack.Data[3]);
59. oled_clear_vertical(2);
60. oled_disp_string(3,1,(char*)Str2);
61. Delay_ms(20);
62. BUZZER = 0;
63. LED1 = 0;
64. osal_start_timerEx( GenericApp_TaskID,GENERICAPP_SEND_ICCARD_EVT,1000);
65. }
66. } 67. }
2. Android端软件代码:
125K读卡实验Android端软件代码01125K读卡实验Android端软件代码
 
实验步骤
1) 将WIFI STM32模块插在节点板上
2) 将继电器模块插在节点板上
3) 将电磁锁接在继电器模块输出端上
4) 将ZIGBEE节点插在125K电路板上
5) 用DC5V电源给A9网关供电,同时按下电源键3S开启网关
6) 用DC5V电源给节点底板供电,观察节点液晶的显示过程
7) 用DC5V电源给125K电路板板供电,观察节点液晶的显示过程
8) 打开A9网关的WiFi热点
9) 打开125k读卡模块 ;
10) 打开A9网关,并打开APP ;
11) 点击 来设置 串口的波特率和串口号,并设置wifi服务器的端口号(默认情况下app启动服务器自动开启);
12) 点击智能安防模块 ,在门禁视图 中,点击一键写卡,则APP进入注卡模式,该模式下,每次刷卡便会将该卡注册到软件当中,若该卡已经注册则会提示用户,该卡已注册。当再次点击按钮时则会退出注卡模式,在该模式下,若刷卡成功,则门禁便会打卡,若失败则会提示用户该卡没有注册。
13) 将已注册的门禁卡靠近ZIGBEE读卡器,读卡器上将显示卡号,稍后电磁锁将被开启,3S之后电磁锁自动锁闭(模拟电磁门锁开门过程)
14) 将未注册的门禁卡考级ZIGBEE读卡器,读卡器上将显示卡号,A9网关上显示未注册,电磁锁不开启


 

唯众物联网工程应用实训装置带你快速掌握物联网关键技术

唯众物联网实训室工程应用装置
一、产品名称:物联网工程应用实训装置
二、产品型号和技术规格
1.  产品型号:WZ-IOT-ATP
2.  外型尺寸:
桌面式操作台1个操作台底座1个
3.  电压/功率:220V
4.  配套设备
实训台:
温湿度传感器1个
人体红外监测器1个
高频RFID阅读器1个
光照强度检测器1个
可燃气体监测器1个
RGB三色灯执行器1个
LED显示屏2个
智能语音播放设备1个
继电器1个
 
       物联网教学实训主要用于对物联网核心课程的知识点学习,能够服务于相关课程的实验和实训需求。
       核心课程主要针对学科基础技术的培养,掌握物联网概论,传感器和RFID 等感知设备认知和开发,ZigBee/Wi-Fi/蓝牙等无线网络的配置、维护和开发,物联网互联接入及存储,物联网应用层软件开发,物联网产品整合等基本知识。
       核心课程采用全模块化的实验箱教学产品进行实验,具备优良的教学实验特性:全模块化的设计、开放式的硬件接口、开源的实验代码、完整的教学资源、贴心的售后服务。
       基于ARM Cortex-M4核心的通信网关,支持无线节点模块的双向连接及组网,与配套“可视化编辑器”和“可视化控制器”进行配置和控制。物联网关可以管理不同协议的无线节点模块,并能将多个无线节点模块视作不同设备,将无线节点模块的数据转换为TCP网络通信进行传输,网关同无线节点模块可以互通互联,轻松构建物联网络,共同构成物联应用开发平台。通过本物联网平台,可以迅速降低物联网应用的开发成本和开发时间,开发者即便不会编程,也可以在一两天之内,就迅速使用本平台开发搭建出自己的物联网应用。
       通过电脑PC端可直接以“可见即可得”的方式在此工具上生成不同的设备操作界面,支持指示灯、按键、图片集合、变量视窗、图文链接等五种可视化控件。所有控件的动作都可以直接反应到实际的物联设备(即无线节点模块)上。界面生成后,可以直接导入App使用,而不需要重新编译或安装App。
       通过物联网关、可视化控制器、可视化界面生成器编辑器、万纳模组、物联网传感器/执行器以及配套物联网连件连接件,师生不仅可以完成出基于物联网、远程访问、设备联动等功能的物联网实训项目,还可以迅速开发物联网商业产品\项目,如空气监测仪、电气设备在线监测器等等,并随时实现不同设备间的联动,而这些开发过程,基于本系统的可视化开发工具,可以做到零编程实现物联网应用系统。
       支持家庭常用的各种无线协议(红外、射频),兼容市面绝大多数品牌的空调、电视机、灯光、安防、窗帘等等家电设备,因此可以直接当做一套完备的智能家居系统进行使用,并集成了摄像头功能,可以直接在App中使用摄像头。
       平台所有设备采用模块化、集散化、工业化的设计模式,每个模块都为独立工作单元;模块均接近实际应用系统,能够容纳2-3个学生同时实训,可完成工程项目应用开发系统中硬件设备的安装、布线与调试,完成设备间的无线组网,既具有展示型又具有实操性。能够组建具有行业特色的物联网智能家居实训项目,确保学生可利用设备搭建真实工程项目。
 

唯众物联网工程应用实训装置带你快速掌握物联网关键技术

唯众物联网实训室工程应用装置
一、产品名称:物联网工程应用实训装置
二、产品型号和技术规格
1.  产品型号:WZ-IOT-ATP
2.  外型尺寸:
桌面式操作台1个操作台底座1个
3.  电压/功率:220V
4.  配套设备
实训台:
温湿度传感器1个
人体红外监测器1个
高频RFID阅读器1个
光照强度检测器1个
可燃气体监测器1个
RGB三色灯执行器1个
LED显示屏2个
智能语音播放设备1个
继电器1个
 
       物联网教学实训主要用于对物联网核心课程的知识点学习,能够服务于相关课程的实验和实训需求。
       核心课程主要针对学科基础技术的培养,掌握物联网概论,传感器和RFID 等感知设备认知和开发,ZigBee/Wi-Fi/蓝牙等无线网络的配置、维护和开发,物联网互联接入及存储,物联网应用层软件开发,物联网产品整合等基本知识。
       核心课程采用全模块化的实验箱教学产品进行实验,具备优良的教学实验特性:全模块化的设计、开放式的硬件接口、开源的实验代码、完整的教学资源、贴心的售后服务。
       基于ARM Cortex-M4核心的通信网关,支持无线节点模块的双向连接及组网,与配套“可视化编辑器”和“可视化控制器”进行配置和控制。物联网关可以管理不同协议的无线节点模块,并能将多个无线节点模块视作不同设备,将无线节点模块的数据转换为TCP网络通信进行传输,网关同无线节点模块可以互通互联,轻松构建物联网络,共同构成物联应用开发平台。通过本物联网平台,可以迅速降低物联网应用的开发成本和开发时间,开发者即便不会编程,也可以在一两天之内,就迅速使用本平台开发搭建出自己的物联网应用。
       通过电脑PC端可直接以“可见即可得”的方式在此工具上生成不同的设备操作界面,支持指示灯、按键、图片集合、变量视窗、图文链接等五种可视化控件。所有控件的动作都可以直接反应到实际的物联设备(即无线节点模块)上。界面生成后,可以直接导入App使用,而不需要重新编译或安装App。
       通过物联网关、可视化控制器、可视化界面生成器编辑器、万纳模组、物联网传感器/执行器以及配套物联网连件连接件,师生不仅可以完成出基于物联网、远程访问、设备联动等功能的物联网实训项目,还可以迅速开发物联网商业产品\项目,如空气监测仪、电气设备在线监测器等等,并随时实现不同设备间的联动,而这些开发过程,基于本系统的可视化开发工具,可以做到零编程实现物联网应用系统。
       支持家庭常用的各种无线协议(红外、射频),兼容市面绝大多数品牌的空调、电视机、灯光、安防、窗帘等等家电设备,因此可以直接当做一套完备的智能家居系统进行使用,并集成了摄像头功能,可以直接在App中使用摄像头。
       平台所有设备采用模块化、集散化、工业化的设计模式,每个模块都为独立工作单元;模块均接近实际应用系统,能够容纳2-3个学生同时实训,可完成工程项目应用开发系统中硬件设备的安装、布线与调试,完成设备间的无线组网,既具有展示型又具有实操性。能够组建具有行业特色的物联网智能家居实训项目,确保学生可利用设备搭建真实工程项目。
 


上一篇:物联网智能家居实训||实验四 电磁锁控制实验

下一篇:物联网智能家居实训||实验六 红外探测传感实验