辜渝傧

13037102709

027-87870986

教学实训

您当前的位置:首页 > 教学资源 > 实训方案 >

RFID实训|2.4G无线通信之电路搭建

发布者:唯众    布时间:2020-12-02 14:52:55    点击量:

实验功能简介:开机的时候先检测 NRF24L01 模块是否存在,在检测到 NRF24L01模块之后,根据 KEY0 和 KEY1 的设置来决定模块的工作模式,在设定好工作模式之后,就会不停的发送/接收数据,同样用 DS0 来指示程序正在运行。
所要用到的硬件资源如下:
1) 指示灯 DS0
2) TFTLCD 模块
3) NRF24L01 模块
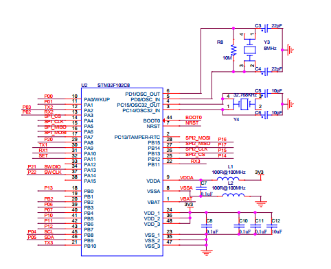
NRF24L01 模块属于外部模块,这里我们仅介绍开发板上 NRF24L01 模块接口和 STM32F4的连接情况,他们的连接关系如图所示:

 电路搭建
电路搭建


这里NRF24L01也是使用的SPI1,和W25Q128共用一个SPI接口,所以在使用的时候,他
们分时复用SPI1。本章我们需要把W25Q128的片选信号置高,以防止这个器件对NRF24L01
的通信造成干扰。 另外, NRF_IRQ和RS485_RE共用了PG8,所以,他们不能同时使用,不过
我们一般用不到NRF_IRQ这个信号,因此, RS485和NRF一般也可以同时使用。


上一篇:RFID实训|第一部分 基础支持部分 2.4G无线通信

下一篇:RFID实训|433M无线通信之技术介绍